Главная
Каталог
О компании
Контакты
Новости
Регистрация
Войти
+7 (3822) 26-64-62, 26-68-65, 44-03-07, +7-952-800-7042 (WhatsApp)
service-z@telesan.ru
везде
категория
Обратная связь
избранное
0
Корзина:
0
Корзина пуста
Каталог
Запчасти CAR-аудио
Запчасти к бритвам, машинкам для стрижки, фенам, эпиляторам, зубным щёткам
BQ Blackton
Braun
Dyson
Panasonic
Philips
Remington
Rowenta
Scarlett
Бердск
Запчасти к велосипедам
Запчасти к водонагревателям
Бойлеры
Проточные
Запчасти к вытяжкам
Ardo
Elica
Elikor
FOX
Gorenje
Haier
Hansa
Kaiser
Kraft
Krona
Kuppersberg
Miele
Shindo
Simfer
Turbo, Turboair
Viaona Cappe
Whirlpool
Zigmund & Shtain
Запчасти к кондиционерам
Haier
LG
Samsung
Запчасти к масляным радиаторам, вентиляторам, увлажнителям воздуха и теплотехнике
Ballu
Daewoo
Garanterm/Edisson/Thermex
Polaris
Rolsen
Scarlett
Scoole
Supra
Willmark, Optima
Zanussi, Electrolux
Волтэк
Запчасти к питьевым системам, кулерам, Фильтры водоочистки
Запчасти к планшетам, ноутбукам, цифровой технике
Digma
Haier, Machcreator
LG
Samsung
Supra
Запчасти к пылесосам
BBK
Bosch
BQ
Daewoo
DeLonghi
Electrolux
Haier
Hoover
Hyundai
Karcher
LG
Marta
Miele
OKAMi
Philips
Rolsen _Midea
Samsung
Scarlett
Shivaki
Sinbo
Supra/Econ/National/Orion/Pioneer/JVC
Tefal
Thomas
VAX
Willmark
Xiaomi
Zelmer
Запчасти к стиральным и посудомоечным машинам
ARDO
Atlant
Avest
Beko, Grundig
Bosch, Siemens
Candy
Daewoo, Океан, Коралл
Elenberg
EVGO
Gorenje
Haier
Hansa
Hyundai, Hi
Indesit, Ariston, Hotpoint
Kaiser
Kraft
Krista
Krona, Flavia
Kuppersberg
Leran, Korting, Dexp
LG
Mabe
Midea
Miele
Optima, Willmark
Oursson
Samsung
Siltal, Stinol, Rolsen
Vestel, Sanyo, SchaubLorenz
Westinghouse, ZT
Whirlpool
Zanussi, Electrolux, AEG
Zigmound&Stain
Ассоль, Белоснежка
Бирюса
Вятка-Vesta
ДСП для крышек
Злата, Zertek
Насосы
Ока
Помошница
Принцесса
Радуга, Рада, Волтера
Ренова, Славда
Сальники
Сибирь, Чайка, Алтай
СМР
ТЭНы
Фея, Омь, Малютка
Запчасти к телевизорам, домашним кинотеатрам, мониторам, акустике
Aiwa
BBK, Yuno
BQ, Blackton
Daewoo
Doffler
Erisson
Grundig
Haier
Lentel
LG
National
Panasonic
Rolsen, Rubin
Samsung
Sharp
Sony
Supra/Orion/Fusion/GoldStar/ECON
TCL/Hyundai/Starwind/Digma
Thomson
Xiaomi
Запчасти к утюгам, гладильным системам, парогенераторам
Bosch
BQ
Braun
Miele
Optima, Willmark
Philips
Rolsen
Scarlett
Supra/Econ
Tefal, Rowenta, Moulinex
Запчасти к холодильникам бытовым
Испарители
Компрессора
Конденсаторы
Приборы автоматики
Прочее
Фильтры осушительные
Хладоагрегаты
Запчасти к холодильному оборудованию для торговли и производства
Агрегаты
Вентиляторы и электродвигатели
Воздухоохладители
Запчасти на ИФ
Запчасти на ФАК
Испарители
Компрессоры
Крыльчатки
Приборы автоматики
ТРВ
Фильтры осушители
Запчасти к чайникам, кофеваркам, кофемашинам
BBK
Bosch, Siemens
BQ
Braun
DeLonghi
First
Hottek
Miele
Moulinex, Tefal, Rowenta, Krups
Nivona
Oursson
Polaris
Redmond
Rolsen, Rubin
Russel Hobbs
Saeco/Philips
Scarlett
Supra, Orion, Econ, National, Pioneer, JVC
Willmark, Optima
Дуэт, Raketa, Авшен, Sinbo
Самовар
Фея
Запчасти к швейным машинам
Запчасти к электромясорубкам, соковыжималкам, блендерам, кухонным комбайнам, кофемолкам, пароваркам
BBK
Binatone
Bosch
BQ/Blackton
Braun
Hotpoint-Ariston
Kenwood
Leran
Miele
Moulinex, Tefal, Krups
Mystery
Oursson
Panasonic
Philips
Polaris
Redmond
Rolsen
Scarlett
Sinbo
Starwind
Supra/Econ/National/Pioneer/JVC
Willmark
Zelmer
Zigmund & Shtain
Мастерица, Гамма
Фея
Запчасти к электроплитам, газ. плитам
Ardo
Artel, Vesta
Beko
Bosch
BQ
Candy
Electrolux, Zanussi
Erisson
Fagor
Franke
Gefest
Gorenje
Haier
Hansa
Hyundai
Ideal
Indesit, Ariston
ITA
Kaiser
Krista
Krona, Fornelli
Kuppersberg
LG
Mabe, Brandt
Midea, Leran
Miele
Nardi
Samsung
Scarlett
Simfer
Starwind
Supra/Econ
Vestel, Weissgauff
Whirlpool
Willmark, Optima
Zigmund&Stain
Газовое оборудование
Дарина, DeLuxe
ЗВИ
Лысьва
Мечта
НовоВятка, Электра, Rika, ЗВИ
Норд
Ока, Redber, Фея
Славда
Запчасти на бензо и электроинструмент
Запчасти на ИБП
Запчасти на прочую технику
Mystery
Подшипники
Запчасти на СВЧ, хлебопечи, мультиварки, аэрогрили, грили
AEG, Electrolux
ARC
Ariston, Indesit
BBK, Oursson
BQ
Braun
Cuckoo
Daewoo
Endever
Erisson
Haier
Hotpoint-Ariston
Hyundai
Kenwood
Kraft
LG
Marta
Miele
Moulinex, Tefal
Mystery
Philips
Polaris
Redber
Redmond
Renova
Rolsen, Rubin, Shivaki, Midea
Russell Hobbs
Samsung
Scarlett
Supra, Fusion, Pioneer, ECON, JVC
Vitesse
Whirlpool
Willmark/Optima
Волтера
Мастерица
Материалы для подключения
Сантехматериалы
Электромонтажные
Радиодетали
Расходные материалы
LOKRING
Химические жидкости/реактивы/компоненты
Хладоны
Спутниковое оборудование
Триколор
Каталог
Запчасти на прочую технику
В наличии на складе
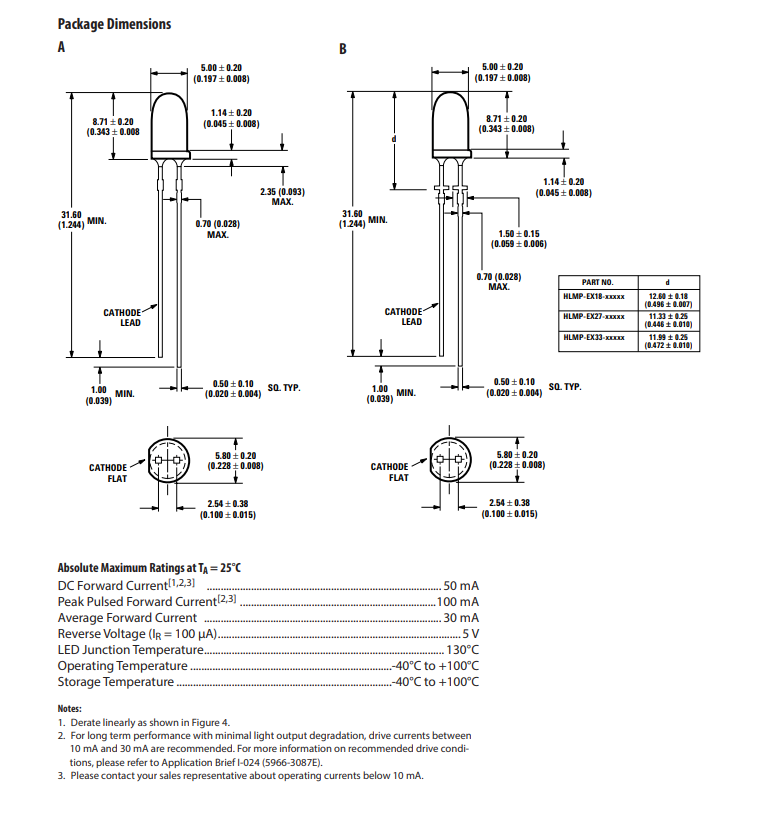
Светодиод HLMP-ED31
избранное
Дата поставки
06.12.2025
315
/ шт.
В корзину
Отзывы
Задать вопрос
Добавить отзыв
Необходимо
авторизоваться
, чтобы оставить отзыв
Отзывов не найдено
Похожие товары
Мотор с насосом (помпа) вакуумного упаковщика Zigmund & Shtain Kuchen-Profi VS-505
Запчасти на прочую технику
Под заказ
3800
/шт.
В корзину
избранное
Болт нержавейка 8 х 25
Запчасти на прочую технику
Под заказ
9
/шт.
В корзину
избранное
Ручка для крышки посудной ПМ*МЕТ
Запчасти на прочую технику
Под заказ
120
/шт.
В корзину
избранное
Сенсор для весов Tefal PP4048 TS-1504125E
Запчасти на прочую технику
Под заказ
В корзину
избранное
Выключатель сетевой LEDN40D39AT для автомобильного компрессора Rolsen AVS-7906
Запчасти на прочую технику
Под заказ
В корзину
избранное
Магистральный фильтр ITA-30 BB F20130+
Запчасти на прочую технику
В наличии
2990
/шт.
В корзину
избранное
Корпус блинницы Tefal TS-01021600
Запчасти на прочую технику
Под заказ
1200
/шт.
В корзину
избранное
Микросхема 74HC595RM13TR PFB
Запчасти на прочую технику
В наличии
В корзину
избранное
Болт нержавейка 5
Запчасти на прочую технику
В наличии
В корзину
избранное
Плата электронная TS-A15041LC для весов Tefal PP5036
Запчасти на прочую технику
Под заказ
В корзину
избранное
×
×
Корзина
×
Обратная связь
Имя
*
Город
*
Томск
E-mail и/или контактный телефон
*
Тема
Сообщение
*
Отзывов не найдено